设为首页
收藏本站
开启辅助访问
切换到窄版
登录
立即注册
首页
馨轩阁
图纸库
图片库
模型库
木结构之家
搜索
搜索
木工图集
木工营造
木工雕刻
木工家具
木屋图纸
凉亭图纸
花架图纸
景观图纸
木屋图库
凉亭图库
花架图库
景观图库
木屋模型
凉亭模型
花架模型
景观模型
农村自建房
木结构住宅
木结构庭建
木结构软件
本版
文章
帖子
木图网-木结构之家
»
木结构之家
›
木结构设计参考区
›
农村自建房
›
江西省吉安市农民建房设计图集[2023年]中式-120-01 ...
返回列表
发新帖
[江西省]
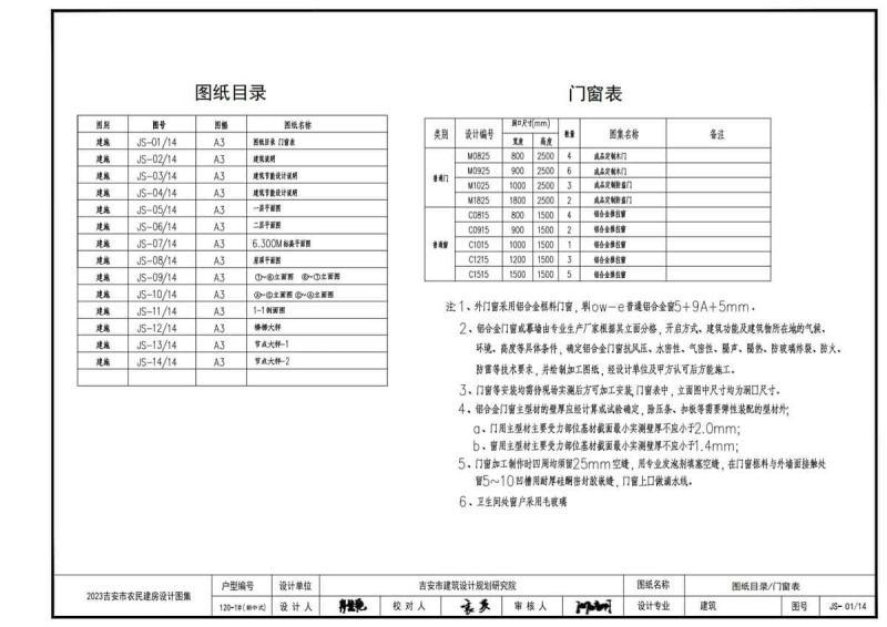
江西省吉安市农民建房设计图集[2023年]中式-120-01
[复制链接]
7
|
0
|
2025-8-2 20:17:13
|
显示全部楼层
|
阅读模式
江西省吉安市农民建房设计图集[2023年]中式-120-01 提取码(n3vv):
网盘资源
农房设计图集
,
农房图集
,
农村自建房
,
民房标准图
,
农房建筑图集
相关帖子
•
湖南省新时代农村住宅方案28
•
湖南省新时代农村住宅方案29
回复
举报
返回列表
发新帖
高级模式
B
Color
Image
Link
Quote
Code
Smilies
您需要登录后才可以回帖
登录
|
立即注册
本版积分规则
发表回复
回帖后跳转到最后一页
浏览过的版块
造价软件
admin
9249
主题
1057
回帖
6026
积分
管理员
积分
6026
加好友
发消息
回复楼主
返回列表
农村自建房
木结构住宅
木结构庭建
图文推荐
防腐木栏杆设计参考五
2025-03-09
木屋别墅设计方案十四
2025-03-01
木屋别墅设计方案五六
2025-03-01
木屋别墅设计方案五三
2025-03-01
木屋别墅设计方案一
2025-03-01
热门排行
1
1-防腐木栏杆设计参考一
2
防腐木栏杆设计参考五
3
3-防腐木栏杆设计参考三
4
防腐木栏杆设计参考四
5
防腐木栏杆设计参考六
6
独栋别墅户型图247
7
独栋别墅户型图503
8
独栋别墅户型图758